返回首页 | 加入收藏 | 设为主页 | 联系方式
 
 
+ 电动推杆类
- DT型电动推杆
- DTZ型电动推杆
- TDT型电动推杆
- DTW型电动推杆
- DYT系列
- DTT型电动推杆
- 附件一:支承架
- 附件二:外接行程开关装置
- 附件三:电器控制箱置
+ 电工机械类
- 龙门行走式收排线机
- 龙门行走式主动放线机
- 龙门行走式放线机
- 机械式放排线机
- 机械式放线机
- 履带牵引机
- 轮式牵引机
我公司本着“依靠科技发展,提高质量占市场,加强管理增效益”的企业理念,公司具有雄厚的技术开发能力及良好的质量保证体系...
地 址:无锡市惠山区杨市镇人民东路92号
电 话:0510-83551789
传 真:0510-83551562
邮 编:214154
邮 箱:sales@xyddtg.com    
总经理:徐惠明
手 机:13951503123
 
DTT型电动推杆 下一页
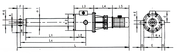
DTT型电动推杆图
 

  DTT型同轴线重型电动推杆是我公司成立前针对国内中,大推力档电动拉杆产品空白,而顾客又有需求的情况下于1988年起率先自主开发并生产的系列产品,是我公司多种电动推拉杆系列产品之一。该产品已在首钢,包钢等多家大钢铁企业推广应用,也可用于其他需要大推,拉力的场合。其使用条件为环境温度-15℃-60℃,相对湿度≤85%。

  DTT型电动推拉杆由驱动电机,减速器,滑动螺旋传动机构等主要部分组成。内部设有弹簧缓冲机构及超载保护装置,可保证产品安全,可靠地运行。

  DTT型电动推拉杆的性能参数,外形及安装尺寸符合《Q/320211AKA01-2000电动推拉杆》企业标准的规定,其具体数据表列如下。

型号
推力
行程S
L
Lc
L1
L2
L3
L4
L5
φX
φG
φ1
φ2
φE
A
B
C
D
E
F
DTT40-V-S
40
400-1600
466+S+L4+L5
311+S
126+S
120
245
按配套减速器确定
按配套电动机确定
30
75
108
204
35
25
40
157
25
224
70
DTT63-V-S
63
400-1600
466+S+L4+L5
311+S
126+S
120
245
30
75
108
204
35
25
40
157
25
224
70
DTT100-V-S
100
500-2000
549+S+L4+L5
373+S
160+S
128
264
40
95
140
268
40
30
53
192
30
288
93
DTT160-V-S
160
500-2000
651+S+L4+L5
438+S
188+S
154
322
45
109
159
310
45
36
60
215
32
330
105
DTT250-V-S
250
600-2500
708+S+L4+L5
489+S
225+S
158
327
50
122
180
350
60
40
66
236
45
370
116
DTT400-V-S
400
600-3000
882+S+L4+L5
592+S
249+S
216
446
60
140
219
410
70
46
80
267
52
440
140
DTT630-V-S
630
600-4000
1127+S+L4+L5
773+S
345+S
257
531
80
195
273
530
90
66
106
328
68
560
186
DTT1000-V-S
1000
600-5000
1444+S+L4+L5
988+S
443+S
334
690
100
236
325
710
120
80
133
419
90
740
233
 
地 址:无锡市惠山区杨市镇人民东路92号  电 话:0510-83551789 传 真:0510-83551562  邮 编:214154
邮 箱:sales@xyddtg.com         手机:13951518210 总经理:徐惠明  手 机:13951503123 技术支持与维护:君通科技